Kia Cee'd: ESP(Electronic Stability Program) System / Schematic diagrams
Kia Cee'd JD Service Manual / Brake System / ESP(Electronic Stability Program) System / Schematic diagrams
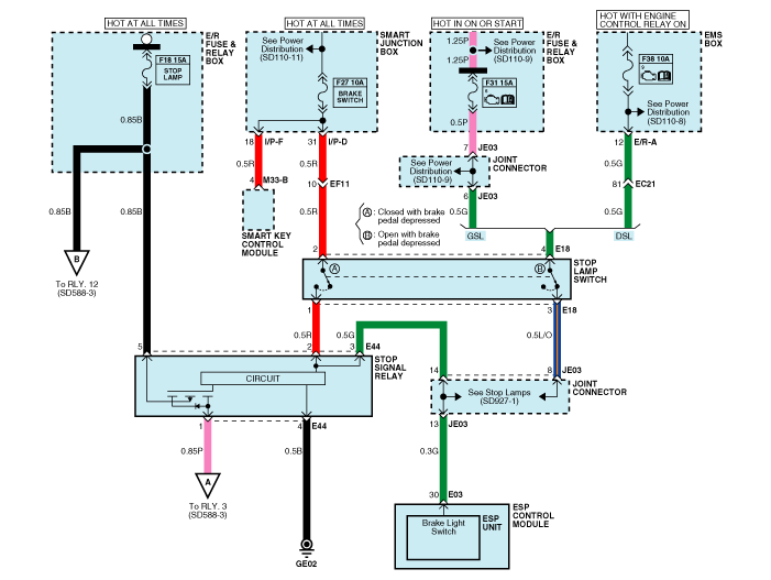
| Circuit Diagram - ESP (1) |

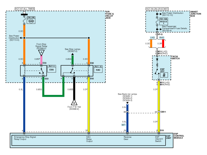
| Circuit Diagram - ESP (2) |

| Circuit Diagram - ESP (3) |

| Circuit Diagram - ESP (4) |

| ESP Connector Input/ Out put |

|
Wire No. |
Designation |
Current |
max.permissible wire resistance R_L (mΩ) |
|
|
max |
min |
|||
|
13 |
Ground for recirculation pump |
39 A |
10 A |
- |
|
38 |
Ground for solenoid valves and ECU |
15 A |
2 A |
- |
|
1 |
Voltage supply for pump motor |
39 A |
10 A |
- |
|
25 |
Voltage supply for solenoid valves |
15 A |
2 A |
- |
|
32 |
Voltage for hybrid ECU |
1 A |
500 mA |
60 |
|
22,6,20,31 |
signal wheel speed sensor FL, FR, RL,RR |
16.8 mA |
5.9 mA |
250 |
|
34,18,33,19 |
Voltage supply for the active wheel speed sensor FL,FR, RL, RR |
16.8 mA |
5.9 mA |
250 |
|
30 |
Brake light switch (Signal) |
10 mA |
5 mA |
250 |
|
14 |
CAN Low |
30 mA |
20 mA |
250 |
|
26 |
CAN High |
30 mA |
20 mA |
250 |
|
27 |
Wheel speed sensor output |
Open Drain |
- |
- |
|
8 |
ESP Passive switch (Signal) |
10 mA |
5 mA |
250 |
|
4 |
ESS output signal |
200 mA |
100 mA |
150 |
|
16 |
Brake lamp actuator input signal |
200 mA |
100 mA |
150 |
|
10 |
Parking brake switch signal |
10 mA |
5 mA |
250 |
|
23 |
Clutch switch |
10 mA |
5 mA |
250 |
Description and operation
Description of ESP
Optimum driving safety now has a name : ESP, the Electronic Stability Program.
ESP recognizes critical driving conditions, such as panic reactions in dange ...
Troubleshooting
Failure Diagnosis
1.
In principle, ESP and TCS controls are prohibited in case of ABS failure.
2.
When ESP or TCS fails, only the fai ...
Other information:
Kia Cee'd JD Owners Manual: Easy access function
The system will move the driver's seat
automatically as follows:
Without smart key system
- It will move the driver’s seat rearward
when the ignition key is removed and
front driver’s door is opened.
- It will move the driver’s seat forward
when the ignition key is inserted. ...
Kia Cee'd JD Service Manual: Heater Unit Components and components location
Component Location
Components
1. Heat Case (Left)
2. Heat Case (Right)
3. Separator
4. Defog Door
5. Vent Door
6. Vent Guide
7. Temp Door
8. Mode Control Actuator
9. Temperature Control Actuator (Left)
10. Temper ...